CABLE RAILING: FINELINE™ LAG TURNBUCKLE
Login to view prices
Description
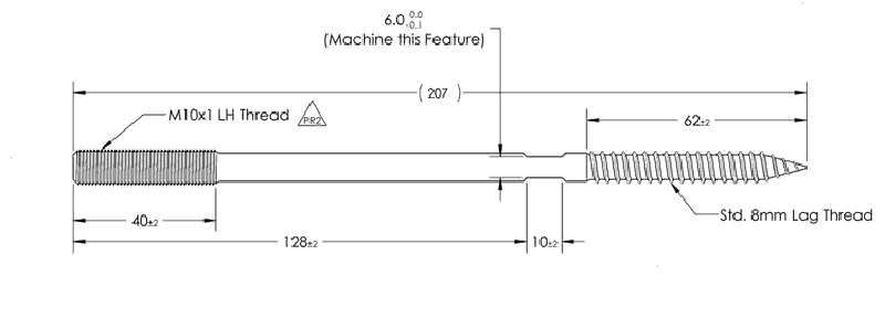
Install FineLine™ TURNBUCKLES for decades of maintenance free service! The FineLine™ LAG TURNBUCKLE is a compact, architectural turnbuckle manufactured from 316 Stainless Steel that represents the best in engineered cable railings. It has no exposed threads and the SWAGING SLEEVE fitting is internal within the turnbuckle body. The FineLine™ LAG TURNBUCKLE works well for straight cable runs with wood posts (Min. 4″x4″).
STAINLESS CABLE & RAILING™ only offers the best and most affordable cable rail assemblies for your deck and balcony cable railing project. Enjoy your view without the painting, staining, and glass cleaning that is common with other systems!
For this turnbuckle use either PROFESSIONAL SWAGING SERVICE or HAND SWAGING.
See number “1” in the above drawing to see how the FineLine™ LAG TURNBUCKLE is used in the wire rope cable assembly.
Order online. For assistance see MEASURING TIPS and WORKSHEETS tabs or call 1-888-686-7245(RAIL). We are happy to help you! STAINLESS CABLE & RAILING™ TURNBUCKLES are the smart choice. Stainless Cable Railing offers complete cable railing using wood posts, aluminum posts, stainless steel posts, and steel posts. Favorite among contractors are the stainless steel posts for remodels and new house construction. Competitor aluminum posts are not as strong as Stainless Cable Railing posts. We added extra webbing inside each end post to resist the sideways deflection. The homeowner can be confident their posts are the best in the market and are engineered specifically for cable rail applications. Stainless Cable Railing systems start out as low as $20 a LF and are a great replacement to glass railing systems. Unlike glass hand rail systems Stainless Cable Railing systems call for no upkeep. Watch our videos on metal deck cable railing at Youtube.com.
Product # 735081 & 735098
Additional information
| Weight | 0.41 lbs |
|---|---|
| Size | For 1/8 in. cable, For 3/16 in. cable |
































Reviews
There are no reviews yet.